Roller Detent Mechanism Design Equations and Calculator

The roller detent mechanism is a type of mechanical device used to control the movement of components in various engineering applications. It consists of a roller, a detent, and a spring, which work together to provide a precise and consistent holding force. Designing a roller det!ent mechanism requires careful consideration of several key parameters, including the radius of the roller, the angle of the detent, and the spring constant. This article provides a comprehensive overview of the design equations and calculator for roller detent mechanisms, enabling engineers to optimize their designs for specific applications. Accurate calculations are crucial.
- Understanding Roller Detent Mechanism Design Equations and Calculator
- What is the roller detent mechanism?
- What are the engineering design calculations?
-
Frequently Asked Questions (FAQs)
- What is the purpose of a Roller Detent Mechanism and how does it work?
- How do you design a Roller Detent Mechanism and what are the key equations to consider?
- What are the advantages and limitations of using a Roller Detent Mechanism in industrial applications?
- How can a Roller Detent Mechanism be calculated and optimized using a calculator or software tool?
Understanding Roller Detent Mechanism Design Equations and Calculator
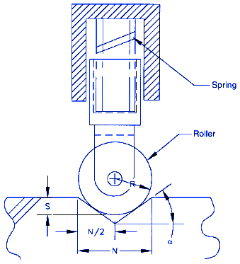
The roller detent mechanism is a type of mechanical device used to provide a temporary stop or hold at specific positions. It consists of a roller or cam that moves along a track or ramp and engages with a detent or stop to prevent further movement. The design of such mechanisms involves careful consideration of various parameters and equations to ensure smooth operation and precise control.
Introduction to Roller Detent Mechanism Design
The design of a roller detent mechanism starts with defining the requirements and specifications of the application. This includes the type of load to be held, the distance between stops, and the desired accuracy and repeatability. The designer must then select the appropriate materials and components, such as bearings, springs, and fasteners, to ensure reliable operation and minimize wear.
Key Equations for Roller Detent Mechanism Design
Several key equations are used in the design of roller detent mechanisms. These include:
| Equation | Description |
|---|---|
| F = μN | Frictional force equation, where F is the frictional force, μ is the coefficient of friction, and N is the normal force. |
| T = r x F | Torque equation, where T is the torque, r is the radius of the roller, and F is the force applied. |
These equations help designers optimize the performance of the roller detent mechanism and ensure that it meets the required specifications.
Calculator for Roller Detent Mechanism Design
A calculator can be a useful tool in the design of roller detent mechanisms. By inputting the required parameters, such as load, distance, and desired accuracy, the calculator can provide instant feedback on the feasibility of the design and suggest optimizations to improve performance. The calculator can also help designers iterate on their design and refine their parameters to achieve the best possible results.
Materials Selection for Roller Detent Mechanism
The selection of materials is a critical aspect of roller detent mechanism design. The rollers, tracks, and other components must be made from materials that can withstand the loads and stresses imposed by the application. Common materials used in roller detent mechanisms include steel, aluminum, and plastics, each with its own unique properties and advantages. The designer must carefully evaluate the trade-offs between strength, weight, cost, and other factors to select the optimal materials for the application.
Applications of Roller Detent Mechanism
Roller detent mechanisms have a wide range of applications in various industries, including aerospace, automotive, medical devices, and consumer products. They are used in devices such as gearboxes, transmissions, and positioning systems, where precise control and reliable operation are required. The roller detent mechanism provides a simple, compact, and cost-effective solution for holding and positioning loads with high accuracy and repeatability.
What is the roller detent mechanism?

The roller detent mechanism is a type of mechanical device used to control the movement of a shaft or spindle in a machine. It consists of a roller or ball that is positioned in a detent or groove on the shaft, and is held in place by a spring or other biasing mechanism. The roller detent mechanism is used to provide a positive stop or detent at specific positions along the shaft, allowing the machine to accurately repeat movements and maintain positioning accuracy.
Types of Roller Detent Mechanisms
The roller detent mechanism can be classified into different types based on the design and application. Some common types of roller detent mechanisms include:
- Ball detent mechanisms, which use a ball instead of a roller to provide the detent action
- Roller cam mechanisms, which use a roller to follow a cam or groove on the shaft to provide the detent action
- Spring-loaded detent mechanisms, which use a spring to bias the roller or ball into the detent position
Advantages of Roller Detent Mechanisms
The roller detent mechanism has several advantages that make it a popular choice for many applications. Some of the advantages include:
- High accuracy, as the roller detent mechanism can provide a precise and repeatable stop or detent
- Low wear and tear, as the roller or ball is designed to withstand the stresses and loads of the application
- Simple design, as the roller detent mechanism is relatively simple and easy to implement
Applications of Roller Detent Mechanisms
The roller detent mechanism is used in a wide range of applications, including:
- Machinery, such as CNC machines and robots, where the roller detent mechanism is used to provide a positive stop or detent
- Aerospace, where the roller detent mechanism is used in actuation systems and control systems
- Automotive, where the roller detent mechanism is used in transmissions and gearboxes
Design Considerations for Roller Detent Mechanisms
When designing a roller detent mechanism, several factors must be considered, including:
- Load capacity, as the roller detent mechanism must be able to withstand the loads and stresses of the application
- Accuracy and precision, as the roller detent mechanism must be able to provide a precise and repeatable stop or detent
- Materials and manufacturing, as the roller detent mechanism must be made from materials that can withstand the stresses and loads of the application
Future Developments in Roller Detent Mechanisms
The roller detent mechanism is a mature technology, but there are still opportunities for innovation and improvement. Some areas of research and development include:
- Advances in materials and manufacturing, which could lead to the development of new and improved roller detent mechanisms
- Integration with other technologies, such as sensors and actuators, which could enable new and more complex applications
- Development of new applications, such as medical devices and consumer products, which could benefit from the use of roller detent mechanisms
What are the engineering design calculations?

The engineering design calculations are a series of mathematical and analytical procedures used to develop and optimize the design of a product, system, or structure. These calculations involve the application of mathematical models and physical laws to predict the behavior of the design under various loads and conditions. The goal of these calculations is to ensure that the design meets the required performance, safety, and reliability standards.
Introduction to Engineering Design Calculations
The introduction to engineering design calculations involves understanding the design requirements and specifications of the project. This includes identifying the key performance indicators (KPIs) and the design constraints. The engineer must then select the most suitable mathematical models and analysis techniques to use in the calculations. Some common techniques used in engineering design calculations include:
- Finite Element Analysis (FEA) for structural and thermal analysis
- Computational Fluid Dynamics (CFD) for fluid flow and heat transfer analysis
- Dynamic Simulation for analyzing the behavior of systems under dynamic loads
Types of Engineering Design Calculations
There are several types of engineering design calculations, including static, dynamic, and thermal calculations. Static calculations involve analyzing the behavior of a system under static loads, such as weight and pressure. Dynamic calculations involve analyzing the behavior of a system under dynamic loads, such as vibration and impact. Thermal calculations involve analyzing the behavior of a system under thermal loads, such as temperature and heat flux. Some common types of engineering design calculations include:
- Stress analysis to determine the stress and strain in a component or system
- Deflection analysis to determine the deflection and stability of a component or system
- Vibration analysis to determine the natural frequency and mode shapes of a component or system
Engineering Design Calculation Tools
There are several tools and software available to support engineering design calculations, including computer-aided design (CAD) software, finite element analysis (FEA) software, and computational fluid dynamics (CFD) software. These tools allow engineers to create digital models of their designs and analyze their behavior under various loads and conditions. Some common engineering design calculation tools include:
- Autodesk Inventor for 3D modeling and design
- ANSYS for finite element analysis and simulation
- OpenFOAM for computational fluid dynamics and simulation
Engineering Design Calculation Methods
There are several methods used in engineering design calculations, including analytical, numerical, and experimental methods. Analytical methods involve using mathematical equations to solve problems, while numerical methods involve using numerical algorithms to solve problems. Experimental methods involve using physical experiments to validate the results of calculations. Some common engineering design calculation methods include:
- Linear algebra for solving systems of linear equations
- Differential equations for modeling dynamic systems
- Statistics for analyzing and interpreting data
Applications of Engineering Design Calculations
The applications of engineering design calculations are diverse and widespread, and include aerospace, automotive, biomedical, and civil engineering. These calculations are used to design and optimize systems, components, and structures, and to predict their behavior under various loads and conditions. Some common applications of engineering design calculations include:
- Aircraft design for optimizing aerodynamic and structural performance
- Bridge design for optimizing structural and seismic performance
- Medical device design for optimizing biocompatibility and functionality
Frequently Asked Questions (FAQs)
What is the purpose of a Roller Detent Mechanism and how does it work?
The Roller Detent Mechanism is a type of mechanical device used to position and hold loads in place. It works by using a roller or spherical element that is biased against a detent or notch in a shaft or housing. When the roller engages the detent, it creates a mechanical stop that prevents the load from moving. The Roller! Detent Mechanism is commonly used in industrial automation, aerospace, and medical device applications where precise positioning and secure holding are required. The mechanism can be designed to provide a high level of precision and repeatability, making it ideal for applications where accuracy is critical.
How do you design a Roller Detent Mechanism and what are the key equations to consider?
Designing a Roller Detent Mechanism requires a thorough understanding of mechanical engineering principles and mathematical modeling. The design process typically involves selecting the right materials, determining the optimal geometry, and analyzing the mechanism's performance under various loading conditions. The key equations to consider when designing a Roller Detent Mechanism include the torque and force equations, which are used to calculate the required spring rate and preload. Additionally, the designer must consider the kinematics and dynamics of the mechanism, including the motion and stability of the roller and detent. By using computer-aided design (CAD) software and finite element analysis (FEA) tools, designers can model and simulate the behavior of the Roller Detent Mechanism and optimize its performance.
What are the advantages and limitations of using a Roller Detent Mechanism in industrial applications?
The Roller Detent Mechanism offers several advantages in industrial applications, including high precision, repeatability, and secure holding. The mechanism is also compact and lightweight, making it ideal for space-constrained applications. Additionally, the Roller Detent Mechanism can be designed to provide a high level of customization, allowing manufacturers to tailor the mechanism to their specific needs. However, the Roller Detent Mechanism also has some limitations, including complexity and high cost. The mechanism requires precise manufacturing and assembly, which can be time-consuming and expensive. Furthermore, the Roller Detent Mechanism can be sensitive to vibration and shock, which can affect its performance and reliability. To mitigate these limitations, designers must carefully consider the operating conditions and environment in which the mechanism will be used.
How can a Roller Detent Mechanism be calculated and optimized using a calculator or software tool?
Calculating and optimizing a Roller Detent Mechanism can be done using a calculator or software tool, such as a computer-aided design (CAD) program or a finite element analysis (FEA) package. These tools allow designers to model and simulate the behavior of the Roller Detent Mechanism and predict its performance under various loading conditions. The calculator or software tool can be used to calculate the required spring rate and preload, as well as the torque and force required to actuate the mechanism. Additionally, the tool can be used to optimize the geometry and materials of the Roller Detent Mechanism to minimize weight and cost while maximizing performance and reliability. By using a calculator or software tool, designers can streamline the design process and reduce the risk of errors and rework.
Deja una respuesta

Entradas Relacionadas