Orifice Submerged in Liquid Discharge Rate Calculator and Equation

The orifice submerged in liquid discharge rate calculator is a valuable tool for engineers and researchers to determine the flow rate of a liquid through an orifice submerged in a larger body of liquid. This calculation is crucial in various fields, including chemical engineering, mechanical engineering, and hydraulic engineering. The discharge rate is influenced by factors such as the orifice diameter, liquid density, and pressure difference. The equation used to calculate the discharge rate is based on the principle of conservation of energy and momentum, and it provides an accurate estimation of the flow rate under various conditions.
-
Orifice Submerged in Liquid Discharge Rate Calculator and Equation
- Introduction to Orifice Submerged in Liquid Discharge Rate Calculator
- Derivation of the Orifice Submerged in Liquid Discharge Rate Equation
- Factors Affecting the Discharge Rate of a Submerged Orifice
- Applications of the Orifice Submerged in Liquid Discharge Rate Calculator
- Limits and Assumptions of the Orifice Submerged in Liquid Discharge Rate Equation
- What is the formula for discharge through a partially submerged orifice?
- How to calculate water flow rate through an orifice?
- What is the submerged orifice?
-
Frequently Asked Questions (FAQs)
- What is the Orifice Submerged in Liquid Discharge Rate Calculator and Equation?
- How does the Orifice Submerged in Liquid Discharge Rate Calculator and Equation work?
- What are the key factors that affect the Orifice Submerged in Liquid Discharge Rate Calculator and Equation?
- What are the applications of the Orifice Submerged in Liquid Discharge Rate Calculator and Equation?
Orifice Submerged in Liquid Discharge Rate Calculator and Equation
The Orifice Submerged in Liquid Discharge Rate Calculator is a tool used to calculate the rate at which a liquid flows through an orifice that is submerged in the liquid. This calculator is based on the equation for the discharge rate of a submerged orifice, which takes into account the pressure and velocity of the liquid as it flows through the orifice. The equation is derived from the Bernoulli's principle and the continuity equation, which describe the relationship between the pressure and velocity of a fluid as it flows through a constriction.
Introduction to Orifice Submerged in Liquid Discharge Rate Calculator
The Orifice Submerged in Liquid Discharge Rate Calculator is a useful tool for engineers and scientists who need to calculate the rate at which a liquid flows through an orifice. The calculator uses the orifice equation, which is a mathematical formula that describes the relationship between the discharge rate and the pressure and velocity of the liquid. The equation is based on the torricelli's theorem, which states that the velocity of a fluid as it flows through an orifice is proportional to the square root of the pressure difference between the inlet and outlet of the orifice.
Derivation of the Orifice Submerged in Liquid Discharge Rate Equation
The orifice submerged in liquid discharge rate equation is derived from the conservation of mass and conservation of energy principles. The equation is based on the darcy-weisbach equation, which describes the relationship between the pressure drop and the flow rate of a fluid through a pipeline. The orifice equation is a simplified version of the darcy-weisbach equation, which assumes that the fluid is incompressible and that the flow is turbulent.
Factors Affecting the Discharge Rate of a Submerged Orifice
The discharge rate of a submerged orifice is affected by several factors, including the diameter of the orifice, the pressure difference between the inlet and outlet of the orifice, and the viscosity of the fluid. The discharge rate is also affected by the surface roughness of the orifice and the inlet and outlet velocities of the fluid. The following table summarizes the factors that affect the discharge rate of a submerged orifice:
Factor | Effect on Discharge Rate |
---|---|
Diameter of the orifice | Increases with increasing diameter |
Pressure difference | Increases with increasing pressure difference |
Viscosity of the fluid | Decreases with increasing viscosity |
Surface roughness | Decreases with increasing surface roughness |
Inlet and outlet velocities | Affects the discharge rate depending on the velocity profile |
Applications of the Orifice Submerged in Liquid Discharge Rate Calculator
The Orifice Submerged in Liquid Discharge Rate Calculator has several applications in engineering and science, including the design of pipelines, pumps, and turbines. The calculator can also be used to calculate the discharge rate of a river or stream, and to predict the flood risk of a given area. The calculator is also useful for researchers and students who need to calculate the discharge rate of a submerged orifice for their studies.
Limits and Assumptions of the Orifice Submerged in Liquid Discharge Rate Equation
The orifice submerged in liquid discharge rate equation is based on several assumptions, including the assumption that the fluid is incompressible and that the flow is turbulent. The equation is also limited by the range of validity of the orifice equation, which is typically valid for subsonic flows only. The equation may not be accurate for supersonic flows or for flows with high viscosity. The following table summarizes the limits and assumptions of the orifice submerged in liquid discharge rate equation:
Assumption | Limitation |
---|---|
Incompressible fluid | Not valid for compressible fluids |
Turbulent flow | Not valid for laminar flows |
Subsonic flow | Not valid for supersonic flows |
Low viscosity | Not valid for high viscosity fluids |
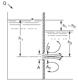
What is the formula for discharge through a partially submerged orifice?
The formula for discharge through a partially submerged orifice is given by Q = C_d A sqrt(2 g h), where Q is the discharge, C_d is the discharge coefficient, A is the area of the orifice, g is the acceleration due to gravity, and h is the head of water above the orifice. This formula is commonly used in hydraulic engineering to calculate the flow rate through a partially submerged orifice.
Introduction to Partially Submerged Orifices
Partially submerged orifices are conduits that allow water to flow through them while being partially submerged in a fluid. The discharge through these orifices depends on the head of water above the orifice, the area of the orifice, and the discharge coefficient. The formula for discharge through a partially submerged orifice is used to calculate the flow rate through these orifices.
- The head of water above the orifice is a critical factor in determining the discharge.
- The area of the orifice also plays a significant role in calculating the discharge.
- The discharge coefficient is a dimensionless quantity that depends on the shape and size of the orifice.
Derivation of the Formula
The formula for discharge through a partially submerged orifice is derived using the equation of motion and the continuity equation. The equation of motion is used to calculate the velocity of the fluid as it flows through the orifice, while the continuity equation is used to calculate the flow rate. The discharge coefficient is introduced to account for the energy losses that occur as the fluid flows through the orifice.
- The equation of motion is used to calculate the velocity of the fluid.
- The continuity equation is used to calculate the flow rate.
- The discharge coefficient is introduced to account for the energy losses.
Application of the Formula
The formula for discharge through a partially submerged orifice has numerous applications in hydraulic engineering. It is used to calculate the flow rate through irrigation canals, storm drains, and water supply systems. The formula is also used to calculate the head loss that occurs as water flows through these systems.
- The formula is used to calculate the flow rate through irrigation canals.
- The formula is used to calculate the flow rate through storm drains.
- The formula is used to calculate the head loss that occurs as water flows through these systems.
Limitations of the Formula
The formula for discharge through a partially submerged orifice has several limitations. It assumes that the flow is incompressible and irrotational, and that the orifice is sharp-edged. The formula also assumes that the head of water above the orifice is constant. In practice, these assumptions may not always be valid, and corrections may need to be made to the formula.
- The formula assumes that the flow is incompressible.
- The formula assumes that the flow is irrotational.
- The formula assumes that the orifice is sharp-edged.
Experimental Verification
The formula for discharge through a partially submerged orifice has been experimentally verified using laboratory experiments and field measurements. These experiments have shown that the formula is accurate and reliable, and that it can be used to calculate the discharge through partially submerged orifices with a high degree of precision.
- The formula has been experimentally verified using laboratory experiments.
- The formula has been experimentally verified using field measurements.
- The formula is accurate and reliable, and can be used to calculate the discharge with a high degree of precision.
How to calculate water flow rate through an orifice?
To calculate the water flow rate through an orifice, you need to use the orifice equation, which is based on the principle of conservation of energy. The equation takes into account the pressure and velocity of the fluid, as well as the geometry of the orifice. The general form of the equation is Q = C_d A sqrt(2 g h), where Q is the flow rate, C_d is the discharge coefficient, A is the cross-sectional area of the orifice, g is the acceleration due to gravity, and h is the head of the fluid.
Understanding the Orifice Equation
The orifice equation is a complex formula that requires a good understanding of the underlying principles. To calculate the flow rate, you need to know the discharge coefficient, which depends on the shape and size of the orifice, as well as the Reynolds number of the flow. The cross-sectional area of the orifice is also critical, as it affects the velocity of the fluid. Some key points to consider when using the orifice equation are:
- The discharge coefficient can vary depending on the type of orifice and the flow regime.
- The cross-sectional area of the orifice must be measured accurately to ensure accurate results.
- The head of the fluid is critical in determining the flow rate, as it affects the pressure and velocity of the fluid.
Types of Orifices
There are several types of orifices, each with its own unique characteristics and discharge coefficients. Some common types of orifices include sharp-edged orifices, rounded orifices, and conical orifices. The shape and size of the orifice can significantly affect the flow rate, so it's essential to choose the right type of orifice for your application. Some key considerations when selecting an orifice are:
- The sharp-edged orifice is the most common type, but it can be prone to cavitation and erosion.
- The rounded orifice is less prone to cavitation, but it can have a lower discharge coefficient.
- The conical orifice is often used in high-velocity applications, as it can withstand high pressures and velocities.
Measuring the Flow Rate
Measuring the flow rate through an orifice can be challenging, as it requires accurate measurements of the pressure and velocity of the fluid. One common method is to use a flow meter, which can measure the flow rate directly. Another method is to use pressure sensors and velocity sensors to measure the pressure and velocity of the fluid, and then calculate the flow rate using the orifice equation. Some key considerations when measuring the flow rate are:
- The flow meter must be calibrated accurately to ensure accurate results.
- The pressure sensors and velocity sensors must be placed in the correct location to ensure accurate measurements.
- The data acquisition system must be able to handle the high-frequency data from the sensors.
Applications of Orifices
Orifices are used in a wide range of applications, including water supply systems, irrigation systems, and industrial processes. They are often used to regulate the flow rate of a fluid, or to measure the flow rate accurately. Some common applications of orifices are:
- Water treatment plants, where orifices are used to regulate the flow rate of water into the treatment process.
- Irrigation systems, where orifices are used to distribute water to crops and other plants.
- Industrial processes, where orifices are used to regulate the flow rate of a fluid, such as in chemical processing or oil refining.
Limitations of the Orifice Equation
The orifice equation is a simplification of the complex physics involved in fluid flow, and it has several limitations. One major limitation is that it assumes a steady-state flow, which may not always be the case in real-world applications. Another limitation is that it does not account for viscosity or turbulence, which can affect the flow rate significantly. Some key limitations of the orifice equation are:
- The orifice equation assumes a steady-state flow, which may not always be the case in real-world applications.
- The orifice equation does not account for viscosity or turbulence, which can affect the flow rate significantly.
- The orifice equation requires accurate measurements of the pressure and velocity of the fluid, which can be challenging in some applications.
What is the submerged orifice?
The submerged orifice refers to an underwater opening or intake that allows water to flow into a pipeline or a tunnel. This type of orifice is commonly used in hydraulic systems, such as pumps and turbines, to supply water from a reservoir or a river. The submerged orifice is designed to minimize energy losses and maximize flow rates, while also preventing cavitation and erosion.
Design Considerations
The design of a submerged orifice involves careful consideration of several factors, including the shape and size of the orifice, the velocity of the flow, and the pressure at the orifice. To ensure optimal performance, the orifice should be designed to minimize head losses and maximize efficiency. Some key considerations include:
- Orifice shape: The shape of the orifice can significantly impact the flow characteristics, with rounded or elliptical shapes often preferred to minimize turbulence.
- Orifice size: The size of the orifice must be carefully selected to balance flow rate and pressure requirements.
- Flow velocity: The velocity of the flow at the orifice should be carefully controlled to prevent cavitation and erosion.
Applications of Submerged Orifices
Submerged orifices have a wide range of applications in hydraulic systems, including water supply systems, irrigation systems, and hydroelectric power plants. They are also used in marine applications, such as intakes for desalination plants and sea water cooling systems. Some key applications include:
- Water treatment: Submerged orifices are used in water treatment plants to supply water for filtration and disinfection.
- Irrigation: Submerged orifices are used in irrigation systems to supply water for crop irrigation.
- Hydroelectric power: Submerged orifices are used in hydroelectric power plants to supply water for turbines.
Advantages of Submerged Orifices
Submerged orifices offer several advantages over other types of intakes, including high flow rates, low head losses, and minimal maintenance requirements. They are also cost-effective and can be designed to withstand high pressures and corrosive environments. Some key advantages include:
- High flow rates: Submerged orifices can handle high flow rates with minimal head losses.
- Low maintenance: Submerged orifices require minimal maintenance, as they are designed to be self-cleaning and resistant to clogging.
- Cost-effective: Submerged orifices are cost-effective compared to other types of intakes, as they require less material and labor to install.
Challenges and Limitations
Despite their advantages, submerged orifices also present several challenges and limitations, including cavitation, erosion, and sedimentation. They can also be sensitive to changes in flow rates and pressure, which can impact their performance and efficiency. Some key challenges and limitations include:
- Cavitation: Submerged orifices can be prone to cavitation, which can cause damage to the orifice and surrounding structures.
- Erosion: Submerged orifices can be susceptible to erosion, which can reduce their efficiency and lifespan.
- Sedimentation: Submerged orifices can be affected by sedimentation, which can clog the orifice and reduce flow rates.
Future Developments and Research
Research and development are ongoing to improve the design and performance of submerged orifices, with a focus on increasing efficiency, reducing costs, and minimizing environmental impacts. Some key areas of research include:
- Advanced materials: Researchers are exploring the use of advanced materials, such as composites and nanomaterials, to improve the durability and performance of submerged orifices.
- Computational modeling: Computational modeling is being used to simulate and optimize the design of submerged orifices, reducing the need for physical prototypes and experimental testing.
- Sustainability: Researchers are investigating ways to make submerged orifices more sustainable, including the use of renewable energy sources and environmentally friendly materials.
Frequently Asked Questions (FAQs)
What is the Orifice Submerged in Liquid Discharge Rate Calculator and Equation?
The Orifice Submerged in Liquid Discharge Rate Calculator and Equation is a tool used to calculate the flow rate of a liquid through an orifice that is submerged in the liquid. This calculator is commonly used in various fields such as engineering, chemistry, and physics to determine the amount of liquid that flows through a given orifice. The equation used to calculate the discharge rate is based on the principle of conservation of energy and takes into account factors such as the density of the liquid, the pressure at the orifice, and the velocity of the liquid. By using this calculator and equation, users can quickly and accurately determine the discharge rate of a liquid through an orifice, which is essential for designing and optimizing systems that involve liquid flow.
How does the Orifice Submerged in Liquid Discharge Rate Calculator and Equation work?
The Orifice Submerged in Liquid Discharge Rate Calculator and Equation works by using a combination of mathematical formulas and physical principles to calculate the discharge rate of a liquid through an orifice. The equation takes into account the size and shape of the orifice, as well as the properties of the liquid, such as its density and viscosity. The calculator uses these inputs to calculate the flow rate of the liquid, which is typically expressed in units of volume per unit time. The equation is based on the continuity equation, which states that the mass flow rate of a liquid is constant throughout a system, and the Bernoulli's principle, which relates the pressure and velocity of a liquid. By using this calculator and equation, users can easily and accurately determine the discharge rate of a liquid through an orifice, without the need for complex calculations or experimental measurements.
What are the key factors that affect the Orifice Submerged in Liquid Discharge Rate Calculator and Equation?
The key factors that affect the Orifice Submerged in Liquid Discharge Rate Calculator and Equation are the size and shape of the orifice, the properties of the liquid, such as its density and viscosity, and the pressure at the orifice. The size and shape of the orifice determine the flow area and the flow velocity of the liquid, while the properties of the liquid affect the flow rate and the pressure drop across the orifice. The pressure at the orifice is also a critical factor, as it determines the driving force behind the flow of the liquid. Additionally, the surface roughness of the orifice and the turbulence of the flow can also affect the discharge rate. By taking these factors into account, the Orifice Submerged in Liquid Discharge Rate Calculator and Equation can provide accurate and reliable results for a wide range of applications, from chemical processing to water treatment.
What are the applications of the Orifice Submerged in Liquid Discharge Rate Calculator and Equation?
The Orifice Submerged in Liquid Discharge Rate Calculator and Equation has a wide range of applications in various fields, including engineering, chemistry, and physics. One of the most common applications is in the design and optimization of chemical processing systems, where the calculator is used to determine the flow rate and pressure drop of liquids through orifices and pipelines. The calculator is also used in water treatment and wastewater management, where it is used to design and optimize water distribution systems and wastewater collection systems. Additionally, the calculator is used in power generation and petroleum engineering, where it is used to design and optimize pumps and turbines. The calculator is also used in research and development, where it is used to study the flow behavior of liquids and the performance of various flow control devices. By using the Orifice Submerged in Liquid Discharge Rate Calculator and Equation, users can quickly and accurately determine the discharge rate of a liquid through an orifice, which is essential for designing and optimizing systems that involve liquid flow.
Deja una respuesta
Entradas Relacionadas